晶振分類
- 晶振系列
- 陶瓷晶振
- 陶瓷濾波器
- 微孔霧化片
- 希華晶體
- 石英晶振
- SMD晶振
- 聲表面諧振器
- NSK晶振
- TXC晶振
- 臺灣加高晶振
- 臺灣鴻星晶振
- 百利通亞陶晶振
- 臺灣泰藝晶振
- AKER晶振
- NKG晶振
- 進口晶振
- KDS晶振
- 精工晶振
- 村田晶振
- 西鐵城晶振
- 愛普生晶振
- 亞陶,嘉碩晶體
- CTS晶體
- 京瓷晶振
- NDK晶振
- 大河晶振
- 瑪居禮晶振
- 富士晶振
- NAKA晶振
- SMI晶振
- NJR晶振
- 移動設備
- 數碼電子
- 通信網絡
- 醫療電子
- 安防GPRS導航
- 汽車電子
- 歐美晶振
- Abracon晶振
- 康納溫菲爾德晶振
- 日蝕晶振
- ECS晶振
- 高利奇晶振
- 格林雷晶振
- IDT晶振
- JAUCH晶振
- Pletronics晶振
- 拉隆晶振
- Statek晶振
- SiTime晶振
- 維管晶振
- 瑞康晶振
- 微晶晶振
- AEK晶振
- AEL晶振
- Cardinal晶振
- Crystek晶振
- Euroquartz晶振
- Fox晶振
- Frequency晶振
- GEYER晶振
- KVG晶振
- ILSI晶振
- Mmdcomp晶振
- MtronPTI晶振
- QANTEK晶振
- QuartzCom晶振
- Quarztechnik晶振
- Suntsu晶振
- Transko晶振
- Wi2Wi晶振
- ACT晶振
- MTI-milliren晶振
- Lihom晶振
- Rubyquartz晶振
- Oscilent晶振
- SHINSUNG晶振
- ITTI晶振
- PDI晶振
- IQD晶振
- Microchip晶振
- Silicon晶振
- Anderson晶振
- Fortiming晶振
- CORE晶振
- NIPPON晶振
- NIC晶振
- QVS晶振
- Bomar晶振
- Bliley晶振
- GED晶振
- FILTRONETICS晶振
- STD晶振
- Q-Tech晶振
- Wenzel晶振
- NEL晶振
- EM晶振
- PETERMANN晶振
- FCD-Tech晶振
- HEC晶振
- FMI晶振
- Macrobizes晶振
- AXTAL晶振
- Sunny晶振
- ARGO晶振
- Dynamic迪拉尼
- 石英晶體振蕩器
- 有源晶振
- 溫補晶振
- 壓控晶振
- 壓控溫補晶振
- 恒溫晶振
- 差分晶振
常見問題
更多>>
Raltron晶振通過全球獨立銷售網絡為全球客戶提供支持代表以及亞洲的幾個附屬辦事處,戰略地位于主要客戶附近和市場.該公司的晶振產品由幾家大型全球經銷商分銷目錄房屋以及區域經銷商處理具體的市場.諧振器,時鐘振蕩器和濾波器以及天線在位于的幾個設施中生產中國. 該公司正從香港物流樞紐運送全球產品.
Raltron晶振公司正在其邁阿密,佛羅里達州開發和制造精密振蕩器.設施,而簡單的水晶諧振器,時鐘振蕩器和濾波器,溫補晶振以及天線.從客戶產品開發過程的第一步深入技術支持在整個客戶的產品生命周期中繼續保持兩個應用工程團隊總部設在邁阿密, 和中國深圳. 這兩個地點也都有故障分析實驗室配備現代化的測試設備,使公司能夠實時響應客戶的需求,募捐.

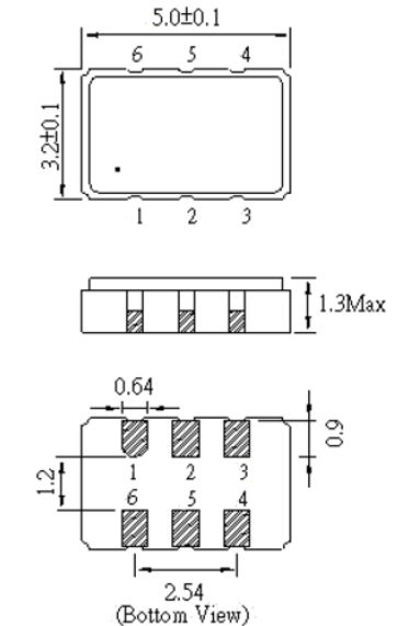
拉隆晶振,貼片晶振,CL5032晶振,貼片式石英晶體振蕩器,低電壓啟動功率,并且有多種電壓供選擇,比如有1.8V,2.5V,3.3V,3.8V,5V等,產品被廣泛應用于,平板筆記本,GPS系統,光纖通道,千兆以太網,串行ATA,串行連接SCSI,PCI-Express的SDH / SONET發射基站等領域.符合RoHS/無鉛.
石英晶振真空退火技術:晶振高真空退火處理是消除貼片晶振在加工過程中產生的應力及輕微表面缺陷.在PLC控制程序中輸入已設計好的溫度曲線,使真空室溫度跟隨設定曲線對晶體組件進行退火,石英晶振通過合理的真空退火技術可提高晶振主要參數的穩定性,以及提高石英晶振的年老化特性.CL5032晶振,5032封裝晶振,高頻有源晶振
|



超聲波清洗
(1)使用AT-切割晶體和表面聲波9SAW)諧振器/聲表面濾波器的產品,可以通過超聲波進行清洗.但是,在某些條件下, 晶體特性可能會受到影響,而且內部線路可能受到損壞.確保已事先檢查系統的適用性.
(2)使用音叉晶體和陀螺儀傳感器的產品無法確保能夠通過超聲波方法進行清洗,因為晶體可能受到破壞.CL5032晶振,5032封裝晶振,高頻有源晶振
(3)請勿清洗開啟式產品
(4)對于可清洗產品,應避免使用可能對石英水晶諧振器產生負面影響的清洗劑或溶劑等.
(5)焊料助焊劑的殘留會吸收水分并凝固.這會引起諸如位移等其它現象.這將會負面影響晶振的可靠性和質量.請清理殘余的助焊劑并烘干PCB.拉隆晶振,貼片晶振,CL5032晶振
操作
請勿用鑷子或任何堅硬的工具,夾具直接接觸IC的表面.
使用環境(溫度和濕度)
請在規定的溫度范圍內使用耐高溫晶振.這個溫度涉及本體的和季節變化的溫度.在高濕環境下,會由于凝露引起故障.請避免凝露的產生.

RALTRON晶振公司遵守所有適用的有關環境、健康和安全的法律和法規以及公司自己的有關環境、工業衛生和安全的方針和承諾.與我們的員工一起開創并保持一個免于事故的工作場所.重視5032石英晶體振蕩器產品污染預防,消除偏離程序的行為強調通過員工努力這一最可行的方法持續改進我們經營活動的環境績效. CL5032晶振,5032封裝晶振,高頻有源晶振
以最小化使用危險材料、能源和其它資源為目的進行公司時鐘振蕩器產品及服務的安全生產和使用,并確?;厥绽?以防治污染、保存資源的方式進行商務運作,并積極地對以往的環境破壞進行揭露.持續改進,將環境管理與商務運行和決策過程高度集成,規范其行為.不斷進行持續改進的實踐.拉隆晶振,貼片晶振,CL5032晶振
美國RALTRON晶振本于‘善盡企業責任、降低環境沖擊、提升員工健康’的理念,執行各項環境及職業安全衛生管理工作;落實公司環安衛政策要求使環境暨安全衛生管理成效日益顯著,不僅符合國內環保、勞安法令要求,同時5032普通有源晶振產品也能達到國際環保、安全衛生標準.2003年通過ISO14001環境管理系統驗證,秉持“污染預防、持續改善”之原則.

深圳市兆現電子有限公司
聯系人:龔成
電話:0755--27876236聯系人:龔成
QQ:769468702
手機:13590198504
郵箱:zhaoxiandz@163.com
網站:http://www.kcpj.cn/









