常見問題
更多>>
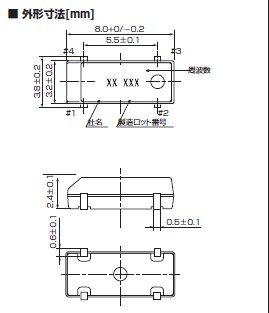
KDS車載多媒體設備晶振,貼片晶振DMX-26S,無源晶振,小型,薄型,輕型的表面貼片音叉型晶體諧振器,具有優良的耐熱性,耐環境特性,可發揮優良的電氣特性,符合RoHS規定,滿足無鉛焊接的回流溫度曲線要求,依據AEC‐Q200,RoHS/ELV對應,被瘋狂應用于車載多媒體領域.
.jpg)
| 規格 | DMX-26S | DMX-26 | DMX-38 |
| 頻率范圍 | 32.768kHz(30~100kHz) | 32.768kHz(14.75~100kHz) | |
| 負載電容 | 12.59pF | ||
| 激勵功率 | 1.0μW(2.0μW Max.) | ||
| 頻率公差 | ±30×10-6(at25℃) | ||
| 串聯電阻 | 50KΩmax | ||
| 拐點溫度 | +25℃±5℃ | ||
| 二次溫度系數 | -0.04×10-6/℃2 Max | ||
| 工作溫度范圍 | -40~+85℃ | ||
| 保存溫度范圍 | -40~+85℃ | ||
| 并列電容 | 1.25pF Typ | 1.40pF Typ | 1.65pF Typ |
| 封裝 | 2500pcs./reel (Φ330) | 1000pcs./reel (Φ330) | |
.jpg)

.jpg)
激勵功率相關性主要是考察產品在不同激勵功率下的頻率或電阻及其變化量,目前SMD產品設定的最小激勵功率一般是0.01uW,最大激勵功率一般是200 uW,20M以上的優良產品DLD2和FDLD應小于1,12M左右的低頻產品DLD2特性稍差,但其中心值也應低于8Ω.產品DLD出問題時的分析圖請參照產品電阻大的分析圖,但有一點應特別引起重視—產品封焊前在制程中的流動速度越快越好,各工序產出應盡量平衡,減少物料在各工序等待時間.


KDS集團公司所生產的石英溫補晶體振蕩器(TCXO),數字溫度補償晶體振蕩器(DCXO),恒溫晶體振蕩器(OCXO),晶體濾波器(Crystal Filter).晶體諧振器主要生產頻率范圍: 從1.8MHZ→100.000MHZ;晶體振蕩器主要生產頻率范圍:1.000MHZ→1000MHZ.其中 OCXO恒溫晶振溫度穩定度可達到±0.01PPM, KDS晶振性能穩定,精度高,體積小,在惡劣環境也能正常工作,TCXO溫補晶振溫度穩定度可達±0.5PPM.在普通晶體諧振器和振蕩器中,我們可接受高頻率和偏頻率以及少數量的高精度寬溫的制作.

大真空針對晶體產品中所含的以鉛為首的六價鉻、汞、鎘、PBB、PBD等RoHS指令(Directive of the Restriction of use of the Hazardous Substances)及車載相關管制的ELV(End of Life Vehicles Directive)中列明的管制物質、以及阻燃劑中 使用的鹵素化合物,積極開展削減工作,并準備了RoHS/ELV指令對應產品、無鹵產品以及無鉛產品.
.jpg)
QQ:769468702
手機:13590198504
郵箱:zhaoxiandz@163.com
網站:http://www.kcpj.cn/
地址:深圳市南山南頭關口8棟









