晶振分類
- 晶振系列
- 陶瓷晶振
- 陶瓷濾波器
- 微孔霧化片
- 希華晶體
- 石英晶振
- SMD晶振
- 聲表面諧振器
- NSK晶振
- TXC晶振
- 臺灣加高晶振
- 臺灣鴻星晶振
- 百利通亞陶晶振
- 臺灣泰藝晶振
- AKER晶振
- NKG晶振
- 進口晶振
- KDS晶振
- 精工晶振
- 村田晶振
- 西鐵城晶振
- 愛普生晶振
- 亞陶,嘉碩晶體
- CTS晶體
- 京瓷晶振
- NDK晶振
- 大河晶振
- 瑪居禮晶振
- 富士晶振
- NAKA晶振
- SMI晶振
- NJR晶振
- 移動設備
- 數碼電子
- 通信網絡
- 醫療電子
- 安防GPRS導航
- 汽車電子
- 歐美晶振
- Abracon晶振
- 康納溫菲爾德晶振
- 日蝕晶振
- ECS晶振
- 高利奇晶振
- 格林雷晶振
- IDT晶振
- JAUCH晶振
- Pletronics晶振
- 拉隆晶振
- Statek晶振
- SiTime晶振
- 維管晶振
- 瑞康晶振
- 微晶晶振
- AEK晶振
- AEL晶振
- Cardinal晶振
- Crystek晶振
- Euroquartz晶振
- Fox晶振
- Frequency晶振
- GEYER晶振
- KVG晶振
- ILSI晶振
- Mmdcomp晶振
- MtronPTI晶振
- QANTEK晶振
- QuartzCom晶振
- Quarztechnik晶振
- Suntsu晶振
- Transko晶振
- Wi2Wi晶振
- ACT晶振
- MTI-milliren晶振
- Lihom晶振
- Rubyquartz晶振
- Oscilent晶振
- SHINSUNG晶振
- ITTI晶振
- PDI晶振
- IQD晶振
- Microchip晶振
- Silicon晶振
- Anderson晶振
- Fortiming晶振
- CORE晶振
- NIPPON晶振
- NIC晶振
- QVS晶振
- Bomar晶振
- Bliley晶振
- GED晶振
- FILTRONETICS晶振
- STD晶振
- Q-Tech晶振
- Wenzel晶振
- NEL晶振
- EM晶振
- PETERMANN晶振
- FCD-Tech晶振
- HEC晶振
- FMI晶振
- Macrobizes晶振
- AXTAL晶振
- Sunny晶振
- ARGO晶振
- Dynamic迪拉尼
- 石英晶體振蕩器
- 有源晶振
- 溫補晶振
- 壓控晶振
- 壓控溫補晶振
- 恒溫晶振
- 差分晶振
常見問題
更多>>
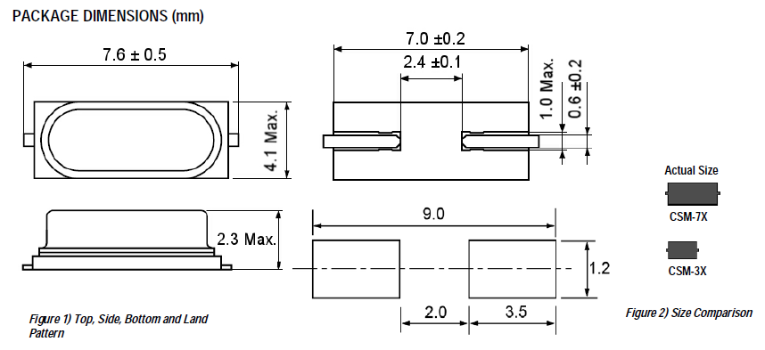
ECS晶振,石英晶振,CSM-3X晶振,無源石英晶振,ECS Inc.晶振集團與世界各地的組織合作,幾乎每一個行業,以及每一個規模,從初創企業到全球財富500強組織.所使用到的晶振,貼片晶振,石英晶體振蕩器,有源晶振壓控晶振等元件遍布各行各業。

貼片晶振本身體積小,超薄型石英晶體諧振器,特別適用于有目前高速發展的高端電子數碼產品,因為晶振本身小型化需求的市場領域,小型,薄型是對應陶瓷諧振器(偏差大)和普通的石英晶體諧振器(偏差?。┑闹虚g領域的一種性價比較出色的產品.產品廣泛用于筆記本電腦,無線電話,衛星導航HDD, SSD, USB, Blu-ray等用途。ECS晶振,石英晶振,CSM-3X晶振,無源石英晶振



ECS Inc.歐美晶振集團成為市場領導者提供創新、先進的壓電石英晶體元器件、壓電石英晶體、有源晶體頻率控制組件解決方案到電信、工業、公用事業、導航、汽車、電子、航空航天和醫療與一流的制造行業的基于石英晶體/過濾器,時鐘振蕩器、陶瓷諧振器/過濾器和其他基于壓電的產品.ECS inc .以迅速擴大的市場部門的多元化產品基礎,熱情關注客戶和市場趨勢,調動企業的力量,為世界各地的客戶提供一貫的卓越服務。

QQ:769468702
手機:13590198504
郵箱:zhaoxiandz@163.com
網站:http://www.kcpj.cn/
ECS Inc集團擁有頂尖人才和技術,以及創新的產品開發理念,使其能夠解決復雜的客戶問題.石英晶振,貼片晶振,有源晶振,壓電水晶的批量生產在日本、中國、臺灣和韓國的世界級認證的制造設施.內部檢測和測試確保所有產品達到或超過ECS公司的質量保證標準.這些制造地點擁有最嚴格的質量管理認證,開始于ISO 9001 / 2008、同位素的ISO14001和AECQ產品的國際組織。

貼片晶振本身體積小,超薄型石英晶體諧振器,特別適用于有目前高速發展的高端電子數碼產品,因為晶振本身小型化需求的市場領域,小型,薄型是對應陶瓷諧振器(偏差大)和普通的石英晶體諧振器(偏差?。┑闹虚g領域的一種性價比較出色的產品.產品廣泛用于筆記本電腦,無線電話,衛星導航HDD, SSD, USB, Blu-ray等用途。ECS晶振,石英晶振,CSM-3X晶振,無源石英晶振
石英晶振在選用晶片時應注意溫度范圍、晶振溫度范圍內的頻差要求,貼片晶振溫度范圍寬時(-40℃-85℃)晶振切割角度比窄溫(-10℃-70℃)切割角度應略高。對于晶振的條片,長邊為 X 軸,短邊為 Z 軸,面為 Y 軸。對于圓片晶振,X、Z 軸較難區分,所以石英晶振對精度要求高的產品(如部分定單的 UM-1),會在 X 軸方向進行拉弦(切掉一小部分),以利于晶振的晶片有方向的裝架點膠,點膠點點在 Z 軸上。

|



所有產品的共同點:1:抗沖擊:抗沖擊是指進口晶振產品可能會在某些條件下受到損壞。例如從桌上跌落,摔打,高空拋壓或在貼裝過程中受到沖擊。如果產品已受過沖擊請勿使用。因為無論何種石英晶振,其內部晶片都是石英晶振制作而成的,高空跌落摔打都會給晶振照成不良影響。 2:輻射:將貼片晶振暴露于輻射環境會導致產品性能受到損害,因此應避免陽光長時間的照射。 ECS晶振,石英晶振,CSM-3X晶振,無源石英晶振
3:化學制劑 / pH值環境:請勿在PH值范圍可能導致腐蝕或溶解石英水晶振子或包裝材料的環境下使用或儲藏這些產品。 4:粘合劑:請勿使用可能導致石英晶振所用的封裝材料,終端,組件,玻璃材料以及氣相沉積材料等受到腐蝕的膠粘劑。(比如,氯基膠粘劑可能腐蝕一個晶振的金屬“蓋”,從而破壞密封質量,降低性能。)

ECS Inc國際晶振集團所有的經營組織都將積極應用國際標準以及適用的法律法規.為促進合理有效的公共政策的制訂實施加強戰略聯系,消除事故和環境方面的偶發事件,減少廢物的產生和排放,有效的使用溫補晶振,石英晶體振蕩器能源和各種自然資源,對緊急事件做好充分準備,以便及時做出反應。

深圳市兆現電子有限公司
聯系人:龔成
電話:0755--27876236聯系人:龔成
QQ:769468702
手機:13590198504
郵箱:zhaoxiandz@163.com
網站:http://www.kcpj.cn/









