晶振分類
- 晶振系列
- 陶瓷晶振
- 陶瓷濾波器
- 微孔霧化片
- 希華晶體
- 石英晶振
- SMD晶振
- 聲表面諧振器
- NSK晶振
- TXC晶振
- 臺灣加高晶振
- 臺灣鴻星晶振
- 百利通亞陶晶振
- 臺灣泰藝晶振
- AKER晶振
- NKG晶振
- 進口晶振
- KDS晶振
- 精工晶振
- 村田晶振
- 西鐵城晶振
- 愛普生晶振
- 亞陶,嘉碩晶體
- CTS晶體
- 京瓷晶振
- NDK晶振
- 大河晶振
- 瑪居禮晶振
- 富士晶振
- NAKA晶振
- SMI晶振
- NJR晶振
- 移動設備
- 數碼電子
- 通信網絡
- 醫療電子
- 安防GPRS導航
- 汽車電子
- 歐美晶振
- Abracon晶振
- 康納溫菲爾德晶振
- 日蝕晶振
- ECS晶振
- 高利奇晶振
- 格林雷晶振
- IDT晶振
- JAUCH晶振
- Pletronics晶振
- 拉隆晶振
- Statek晶振
- SiTime晶振
- 維管晶振
- 瑞康晶振
- 微晶晶振
- AEK晶振
- AEL晶振
- Cardinal晶振
- Crystek晶振
- Euroquartz晶振
- Fox晶振
- Frequency晶振
- GEYER晶振
- KVG晶振
- ILSI晶振
- Mmdcomp晶振
- MtronPTI晶振
- QANTEK晶振
- QuartzCom晶振
- Quarztechnik晶振
- Suntsu晶振
- Transko晶振
- Wi2Wi晶振
- ACT晶振
- MTI-milliren晶振
- Lihom晶振
- Rubyquartz晶振
- Oscilent晶振
- SHINSUNG晶振
- ITTI晶振
- PDI晶振
- IQD晶振
- Microchip晶振
- Silicon晶振
- Anderson晶振
- Fortiming晶振
- CORE晶振
- NIPPON晶振
- NIC晶振
- QVS晶振
- Bomar晶振
- Bliley晶振
- GED晶振
- FILTRONETICS晶振
- STD晶振
- Q-Tech晶振
- Wenzel晶振
- NEL晶振
- EM晶振
- PETERMANN晶振
- FCD-Tech晶振
- HEC晶振
- FMI晶振
- Macrobizes晶振
- AXTAL晶振
- Sunny晶振
- ARGO晶振
- Dynamic迪拉尼
- 石英晶體振蕩器
- 有源晶振
- 溫補晶振
- 壓控晶振
- 壓控溫補晶振
- 恒溫晶振
- 差分晶振
常見問題
更多>>
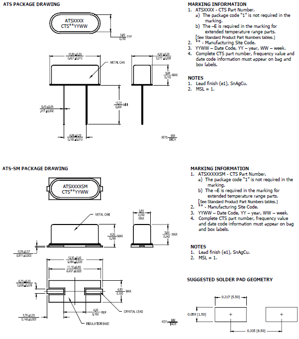
CTS晶振,石英晶振,ATS-ATSSM晶振,SMD晶振普通貼片石英晶振外觀使用金屬材料封裝的,具有高穩定性,高可靠性的石英晶體諧振器,晶振外觀本身使用金屬封裝,充分的密封性能,可確保其高可靠性。
|
.jpg)

.jpg)
CTS晶振,石英晶振,ATS-ATSSM晶振,SMD晶振在電源或輸入端上施加執行級別(過高)的不相干(外部的)噪音,可能導致會引發功能失常或擊穿的閉門或雜散現象。建議將石英晶振輸出負載安裝在盡可能靠近振蕩器的地方(在20 mm范圍之間)。
未用輸入終端的處理
未用針腳可能會引起噪聲響應,從而導致非正常工作。同時,當P通道和N通道都處于打開時,電源功率消耗也會增加;因此,請將未用輸入終端連接到VCC 或GND。石英晶振重復的溫度巨大變化可能會降低受損害的石英晶振產品特性,并導致塑料封裝里的線路擊穿。必須避免這種情況。不建議從中間電位和/或極快速通電,否則會導致無法產生振蕩和/或非正常工作。


通過收購和內部開發,擴展了產品組合,包括石英晶體振蕩器,壓電石英晶振, 壓電石英晶體諧振器,有源晶振、水晶過濾器、石英晶體振蕩器、選擇器開關和揚聲器,以及擴展的可變電阻業務。
.jpg)
電話:0755--27876236
QQ:769468702





.jpg)




