晶振分類
- 晶振系列
- 陶瓷晶振
- 陶瓷濾波器
- 微孔霧化片
- 希華晶體
- 石英晶振
- SMD晶振
- 聲表面諧振器
- NSK晶振
- TXC晶振
- 臺灣加高晶振
- 臺灣鴻星晶振
- 百利通亞陶晶振
- 臺灣泰藝晶振
- AKER晶振
- NKG晶振
- 進口晶振
- KDS晶振
- 精工晶振
- 村田晶振
- 西鐵城晶振
- 愛普生晶振
- 亞陶,嘉碩晶體
- CTS晶體
- 京瓷晶振
- NDK晶振
- 大河晶振
- 瑪居禮晶振
- 富士晶振
- NAKA晶振
- SMI晶振
- NJR晶振
- 移動設備
- 數碼電子
- 通信網絡
- 醫療電子
- 安防GPRS導航
- 汽車電子
- 歐美晶振
- Abracon晶振
- 康納溫菲爾德晶振
- 日蝕晶振
- ECS晶振
- 高利奇晶振
- 格林雷晶振
- IDT晶振
- JAUCH晶振
- Pletronics晶振
- 拉隆晶振
- Statek晶振
- SiTime晶振
- 維管晶振
- 瑞康晶振
- 微晶晶振
- AEK晶振
- AEL晶振
- Cardinal晶振
- Crystek晶振
- Euroquartz晶振
- Fox晶振
- Frequency晶振
- GEYER晶振
- KVG晶振
- ILSI晶振
- Mmdcomp晶振
- MtronPTI晶振
- QANTEK晶振
- QuartzCom晶振
- Quarztechnik晶振
- Suntsu晶振
- Transko晶振
- Wi2Wi晶振
- ACT晶振
- MTI-milliren晶振
- Lihom晶振
- Rubyquartz晶振
- Oscilent晶振
- SHINSUNG晶振
- ITTI晶振
- PDI晶振
- IQD晶振
- Microchip晶振
- Silicon晶振
- Anderson晶振
- Fortiming晶振
- CORE晶振
- NIPPON晶振
- NIC晶振
- QVS晶振
- Bomar晶振
- Bliley晶振
- GED晶振
- FILTRONETICS晶振
- STD晶振
- Q-Tech晶振
- Wenzel晶振
- NEL晶振
- EM晶振
- PETERMANN晶振
- FCD-Tech晶振
- HEC晶振
- FMI晶振
- Macrobizes晶振
- AXTAL晶振
- Sunny晶振
- ARGO晶振
- Dynamic迪拉尼
- 石英晶體振蕩器
- 有源晶振
- 溫補晶振
- 壓控晶振
- 壓控溫補晶振
- 恒溫晶振
- 差分晶振
常見問題
更多>>
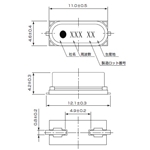
回流焊焊接晶振SMD-49,貼片晶振,日本大真空晶振,可以支持從低溫到高溫的廣泛運行溫度范圍,頻率穩定度卓越,耐撞擊性、耐振性等高可靠性,支持自動貼裝,回流焊,依據AEC-Q200,無鉛,RoHS/ELV對應,進口晶振-超小型,薄型,質地輕的表面貼片音叉型晶體諧振器,具備優良的耐熱性,耐環境特性,在辦公自動化,家電領域,移動通信領域可發揮優良的電氣特性,符合無鉛標準.
.jpg)
| 規格 | AT-49 | SMD-49 | DSX151GAL |
| 頻率范圍 | 3.072~33.9Mhz | 3.5~33Mhz | |
| 負載電容 | Series, 8pF, 10pF, 12pF | ||
| 激勵功率 | 10μW(300μW Max.) | ||
| 頻率公差 | ±50×10-6,±100×10-6(at25℃) | ||
| 串聯電阻 | 40~300Ω max | ||
| 拐點溫度 | ±150×10-6/-40~+125℃, ±200×10-6/-40~+125℃ | ||
| 保存溫度范圍 | -40~+150℃ | ||
| 并列電容 | AEC-Q200 | ||
| 封裝 | 1000pcs | 1000pcs./reel (Φ330) | |
.jpg)
.jpg)


為了應對商業環境的變化,我們努力擺脫傳統業務風格和轉向profit-valued管理,我們會繼續加強我們產品的選擇和集中,,我們將努力提高我們公司的價值,石英裝置市場有望進一步擴大,電信、數字家庭電器和汽車電子,Daishinku集團利用領先的技術積累和技術因素.
為了滿足更大的復雜性和將它們連接到產品差異化,此外,通過獲得優勢與量子色(質量成本交付)作為生產戰略和銷售策略追求的需要,我們的目標是為CS(顧客滿意度)和“KDS”品牌吸引力,我們將闡明域身份和集中管理資源,此外,隨著集成技術,生產和銷售,我們將努力業務開發和有效的管理.
.jpg)
晶體具有多種振動模式,如基頻, 3次泛音,5次泛音等等.當基頻模式應用時,晶體的電阻是最低的,這意味著它是最簡單的晶體振蕩.當第三色調模式被應用,一個放大電路必須被利用以降低基本模式的頻率反饋到所述延伸小于所述第三音調模式.因此,如果頻率是只有三分之一的目標頻率時,要檢查是否放大處理電路被施加或它的設定值就足夠了,因為電路的環境適合于基本模式,而不是第三次泛音調模式.

DAISHINKU CORP的政策重點是維護一個持續,穩定發展的環保領域,生產中注重資源的回收利用,考慮到產品的無鉛環保標準于是產品的設計生產均導入綠色環保無污染概念,KDS大真空只是會社倡導員工人人低碳生活,大真空未解決協調人類與環境的關系,保障經濟社會的持續發展采取了一系列的政策與活動,為全球生態文明做出了不可磨滅的貢獻.
為了滿足更大的復雜性和將它們連接到產品差異化,此外,通過獲得優勢與量子色(質量成本交付)作為生產戰略和銷售策略追求的需要,我們的目標是為CS(顧客滿意度)和“KDS”品牌吸引力,我們將闡明域身份和集中管理資源,此外,隨著集成技術,生產和銷售,我們將努力業務開發和有效的管理.
.jpg)
晶體具有多種振動模式,如基頻, 3次泛音,5次泛音等等.當基頻模式應用時,晶體的電阻是最低的,這意味著它是最簡單的晶體振蕩.當第三色調模式被應用,一個放大電路必須被利用以降低基本模式的頻率反饋到所述延伸小于所述第三音調模式.因此,如果頻率是只有三分之一的目標頻率時,要檢查是否放大處理電路被施加或它的設定值就足夠了,因為電路的環境適合于基本模式,而不是第三次泛音調模式.

DAISHINKU CORP的政策重點是維護一個持續,穩定發展的環保領域,生產中注重資源的回收利用,考慮到產品的無鉛環保標準于是產品的設計生產均導入綠色環保無污染概念,KDS大真空只是會社倡導員工人人低碳生活,大真空未解決協調人類與環境的關系,保障經濟社會的持續發展采取了一系列的政策與活動,為全球生態文明做出了不可磨滅的貢獻..jpg)
相關產品









