晶振分類
- 晶振系列
- 陶瓷晶振
- 陶瓷濾波器
- 微孔霧化片
- 希華晶體
- 石英晶振
- SMD晶振
- 聲表面諧振器
- NSK晶振
- TXC晶振
- 臺灣加高晶振
- 臺灣鴻星晶振
- 百利通亞陶晶振
- 臺灣泰藝晶振
- AKER晶振
- NKG晶振
- 進口晶振
- KDS晶振
- 精工晶振
- 村田晶振
- 西鐵城晶振
- 愛普生晶振
- 亞陶,嘉碩晶體
- CTS晶體
- 京瓷晶振
- NDK晶振
- 大河晶振
- 瑪居禮晶振
- 富士晶振
- NAKA晶振
- SMI晶振
- NJR晶振
- 移動設備
- 數碼電子
- 通信網絡
- 醫療電子
- 安防GPRS導航
- 汽車電子
- 歐美晶振
- Abracon晶振
- 康納溫菲爾德晶振
- 日蝕晶振
- ECS晶振
- 高利奇晶振
- 格林雷晶振
- IDT晶振
- JAUCH晶振
- Pletronics晶振
- 拉隆晶振
- Statek晶振
- SiTime晶振
- 維管晶振
- 瑞康晶振
- 微晶晶振
- AEK晶振
- AEL晶振
- Cardinal晶振
- Crystek晶振
- Euroquartz晶振
- Fox晶振
- Frequency晶振
- GEYER晶振
- KVG晶振
- ILSI晶振
- Mmdcomp晶振
- MtronPTI晶振
- QANTEK晶振
- QuartzCom晶振
- Quarztechnik晶振
- Suntsu晶振
- Transko晶振
- Wi2Wi晶振
- ACT晶振
- MTI-milliren晶振
- Lihom晶振
- Rubyquartz晶振
- Oscilent晶振
- SHINSUNG晶振
- ITTI晶振
- PDI晶振
- IQD晶振
- Microchip晶振
- Silicon晶振
- Anderson晶振
- Fortiming晶振
- CORE晶振
- NIPPON晶振
- NIC晶振
- QVS晶振
- Bomar晶振
- Bliley晶振
- GED晶振
- FILTRONETICS晶振
- STD晶振
- Q-Tech晶振
- Wenzel晶振
- NEL晶振
- EM晶振
- PETERMANN晶振
- FCD-Tech晶振
- HEC晶振
- FMI晶振
- Macrobizes晶振
- AXTAL晶振
- Sunny晶振
- ARGO晶振
- Dynamic迪拉尼
- 石英晶體振蕩器
- 有源晶振
- 溫補晶振
- 壓控晶振
- 壓控溫補晶振
- 恒溫晶振
- 差分晶振
常見問題
更多>>
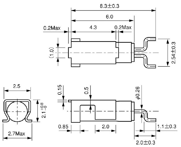
無源晶振CMJ206T,石英水晶振子,西鐵城彎叉諧振器,小型,薄型,輕型的音叉型晶體諧振器,具有優良的耐熱性,耐環境特性,可發揮優良的電氣特性,符合RoHS規定,滿足無鉛焊接的回流溫度曲線要求.小型貼片石英晶振,外觀尺寸具有薄型插件石英晶體諧振器,"CMJ206T32768DZFT"特別適用于有小型化要求的市場領域,比如智能手機,無線藍牙,平板電腦等電子數碼產品.晶振本身超小型,薄型,重量輕,晶體具有優良的耐環境特性.
.jpg)
| 項目 | 符號 | CMJ206T |
| 標準頻率 | fo | 32.768kHz |
| 頻率公差 | △f/fo | ±20ppm |
| 負載電容 | CL | 12.5pF |
| 工作溫度 | TOPR | -40℃ ~ +85℃ |
| 儲存溫度 | TSTR | -55℃ ~ +125℃ |
| 拐點溫度 | TM | 25℃ ± 5℃ |
| 溫度系數 | β | -0.034±0.006ppm/℃ |
| 串聯電阻 | R1 | 50kΩ Max |
| 激勵功率 | DL | 1μW Max |
| 頻率老化 | △f/fo | ±3ppm Max |
| 質量指標 | Q | 70000 Typ |
| 并聯電容 | Co | 1.35pF Typ |
.jpg)



作為世界五百強企業的日本西鐵城株式會社,早在2001年7月就授權于【香港領冠電子有限公司】,西鐵城香港子公司對中國廣西悟州投資成立獨資企業,在當時注冊資本為3千萬港幣品牌為(CITIZEN).悟州領冠公司主要生產石英晶振,手表,液晶模塊,以及技術開發新型的電子元器件等產品.西鐵城悟州公司在當年的12月份就已經對"CMJ206T32768DZFT"石英水晶振動子等產品的投產,2002年出口就達到1千多萬美元.是悟州市出口最大的三資企業之一,西鐵城晶振有以下部分產品.
.jpg)
促進新產品的發展以及現有產品的質量改進和有把握的可靠性,內部分析技術的支持是至關重要的.分析集團進行分析技術開發新產品和材料的機會和失敗分析現有產品"CMJ206T32768DZFT"質量的主題.數據庫的分析結果為有效opperation會積累.作為產品和先進的分析需求,我們交流與生產站點并提供準確和及時的反饋.它有助于提高研發能力和生產技術.










