晶振分類
- 晶振系列
- 陶瓷晶振
- 陶瓷濾波器
- 微孔霧化片
- 希華晶體
- 石英晶振
- SMD晶振
- 聲表面諧振器
- NSK晶振
- TXC晶振
- 臺灣加高晶振
- 臺灣鴻星晶振
- 百利通亞陶晶振
- 臺灣泰藝晶振
- AKER晶振
- NKG晶振
- 進口晶振
- KDS晶振
- 精工晶振
- 村田晶振
- 西鐵城晶振
- 愛普生晶振
- 亞陶,嘉碩晶體
- CTS晶體
- 京瓷晶振
- NDK晶振
- 大河晶振
- 瑪居禮晶振
- 富士晶振
- NAKA晶振
- SMI晶振
- NJR晶振
- 移動設備
- 數碼電子
- 通信網絡
- 醫療電子
- 安防GPRS導航
- 汽車電子
- 歐美晶振
- Abracon晶振
- 康納溫菲爾德晶振
- 日蝕晶振
- ECS晶振
- 高利奇晶振
- 格林雷晶振
- IDT晶振
- JAUCH晶振
- Pletronics晶振
- 拉隆晶振
- Statek晶振
- SiTime晶振
- 維管晶振
- 瑞康晶振
- 微晶晶振
- AEK晶振
- AEL晶振
- Cardinal晶振
- Crystek晶振
- Euroquartz晶振
- Fox晶振
- Frequency晶振
- GEYER晶振
- KVG晶振
- ILSI晶振
- Mmdcomp晶振
- MtronPTI晶振
- QANTEK晶振
- QuartzCom晶振
- Quarztechnik晶振
- Suntsu晶振
- Transko晶振
- Wi2Wi晶振
- ACT晶振
- MTI-milliren晶振
- Lihom晶振
- Rubyquartz晶振
- Oscilent晶振
- SHINSUNG晶振
- ITTI晶振
- PDI晶振
- IQD晶振
- Microchip晶振
- Silicon晶振
- Anderson晶振
- Fortiming晶振
- CORE晶振
- NIPPON晶振
- NIC晶振
- QVS晶振
- Bomar晶振
- Bliley晶振
- GED晶振
- FILTRONETICS晶振
- STD晶振
- Q-Tech晶振
- Wenzel晶振
- NEL晶振
- EM晶振
- PETERMANN晶振
- FCD-Tech晶振
- HEC晶振
- FMI晶振
- Macrobizes晶振
- AXTAL晶振
- Sunny晶振
- ARGO晶振
- Dynamic迪拉尼
- 石英晶體振蕩器
- 有源晶振
- 溫補晶振
- 壓控晶振
- 壓控溫補晶振
- 恒溫晶振
- 差分晶振
常見問題
更多>>
Abracon公司成立于1992年,總部位于德克薩斯州的斯派伍德,是全球領先的被動和機電同步、同步、電力、連通性和射頻解決方案的制造商.“AB26TRQ-32.768KHZ-T”Abracon提供了廣泛的石英定時晶體和振蕩器,MEMS振蕩器,實時時鐘(RTC),藍牙模塊,陶瓷諧振器,鋸濾器和諧振器,功率和射頻電感,變壓器,電路保護元件和射頻天線和無線充電線圈.ABRACON新的石英晶振電鍍設計使得下一代Pierce振蕩器能夠在能夠保持振蕩的情況下運行在煙霧上.電子行業有一個非常一致的趨勢,直接取決于時間 - 隨著技術越來越小,功耗降低的需求越來越高.解決石英晶體設計要求,取決于行業需求,已經成為至關重要的.
Abracon晶振工程副總裁Syed Raza評論說:“半導體技術致力于將所有的功耗從最新一代的MCU和RF芯片組中扭轉出來,芯片上的皮爾斯振蕩器缺乏必要的增益,對gm_critical指標產生不利影響. PAS測試是診斷可預防問題的最可靠的方法.““作為IoT™的心跳,我們力求為客戶提供盡可能多的工具和服務,將其設計帶入下一個低功率平臺. Abras的營銷總監Juan Conchas評論說,PAS測試服務可以在設計彎腳晶振中對關鍵子系統進行驗證,因為如果石英晶體振蕩器無法運行,沒有任何操作.

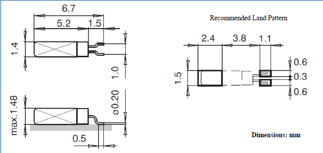
Abracon晶振,石英晶振,AB26TRQ晶振,彎腳插件石英晶振.“AB26TRQ-32.768KHZ-T”插件石英晶振最適合用于比較低端的電子產品,比如兒童玩具,普通家用電器,即使在汽車電子領域中也能使產品高可靠性的使用.并且可用于安全控制裝置的CPU時鐘信號發生源部分,好比時鐘單片機上的石英晶振,在極端嚴酷的環境條件下,晶振也能正常工作.
石英晶振真空退火技術:晶振高真空退火處理是消除貼片晶振在加工過程中產生的應力及輕微表面缺陷.在PLC控制程序中輸入已設計好的溫度曲線,使真空室溫度跟隨設定曲線對晶體組件進行退火,石英晶振通過合理的真空退火技術可提高晶振主要參數的穩定性,以及提高石英晶振的年老化特性.隨著晶振的晶片尺寸的縮小對于晶片電極設計的形狀及尺寸和精度上都有更高的要求---公差大小、位置的一致性等對晶振產品的影響的程度增大,故對電極的設計提出了更精準的要求.
| ABRACON晶振 | 單位 | AB26TRQ晶振 | 石英晶振基本條件 |
| 標準頻率 | f_nom | 32.768kHz | 標準頻率 |
| 儲存溫度 | T_stg | -55C ~ +85°C | 裸存 |
| 工作溫度 | T_use | -40°C ~ +85°C | 標準溫度 |
| 激勵功率 | DL | 1μW | 推薦:1μW ~ 100μW |
| 頻率公差 | f_— l | ±20ppm |
+25°C 對于超出標準的規格說明, 請聯系我們以便獲取相關的信息, http://www.kcpj.cn/ |
| 頻率溫度特征 | f_tem | -0.035±10% ppm/T 2 | 超出標準的規格請聯系我們. |
| 負載電容 | CL | 12.5pF | 不同負載要求,請聯系我們. |
| 串聯電阻(ESR) | R1 | 如下表所示 | -40°C — +85°C, DL = 100μW |
| 頻率老化 | f_age | ±3 × 10-6 / year Max. |
+25°C,第一年 |



晶振產品的設計和生產滿足它的規格書.通過嚴格的出廠前可靠性測試以提供高質量高可靠性的產品.但是為了石英晶振的品質和可靠性,必須在適當的條件下存儲,安 裝,運輸.請注意以下的注意事項并在最佳的條件下使用產品,我們將對于客戶按自己的判斷而使用產品所導致的不良不負任何責任.Abracon晶振,石英晶振,AB26TRQ晶振,彎腳插件石英晶振“AB26TRQ-32.768KHZ-T”.
存儲事項:在更高或更低溫度或高濕度環境下長時間保存進口貼片晶振產品時,會影響頻率穩定性或焊接性.請在正常溫度和濕度環境下保存這些晶體產品,并在開封后盡可能進行安裝,以免長期儲藏.正常溫度和濕度: 溫度:+15°C 至 +35°C,濕度 25 % RH 至 85 % RH,請仔細處理內外盒與卷帶.外部壓力會導致卷帶受到損壞.

Abracon晶振所有的經營組織都將積極應用國際標準以及適用的法律法規.為促進合理有效的公共政策的制訂實施加強戰略聯系.“AB26TRQ-32.768KHZ-T”消除事故和環境方面的偶發事件,減少廢物的產生和排放,有效的使用能源和各種自然資源,確保實現節能環保規劃目標.致力于環境保護,包括預防污染.在石英晶振晶體產品的規劃到制造、運行維修等整個過程中,努力提供環保型的無源插件晶振產品和服務.
在業務活動中,努力節約資源并節省能源,致力于32.768k音叉表晶生產中減少廢棄物和再生資源的回收利用.在積極公開有關環境的信息的同時,通過支持環保活動,廣泛地為社會作貢獻.致力于保護生物多樣性和可持續利用.切實運行環境管理系統PDmCA(Plan-Do-multiple Check-Act),努力提高環境性能,不斷改善運用系統.Abracon晶振,石英晶振,AB26TRQ晶振,彎腳插件石英晶振.
在地方對各項設施的管理責任中,確保滿足方針的目標指標,同時在各種經營與生產音叉型水晶振子活動中完全遵守并符合現行所有標準規范的要求Abracon晶振集團將:不論何時何地盡可能的進行源頭污染預防.為環境目標指標的建立與評審提供框架.通過充分利用或回收等方法實現對自然資源的保持.

深圳市兆現電子有限公司
聯系人:龔成
電話:0755--27876236聯系人:龔成
QQ:769468702
手機:13590198504
郵箱:zhaoxiandz@163.com
網站:http://www.kcpj.cn/









